AP118 PIC16F18026 Development Board |
|||||||||||||||||||||||||||||
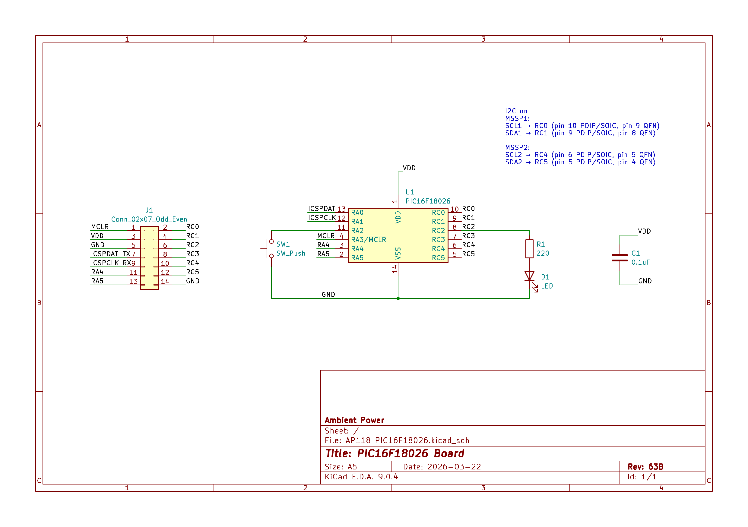
The AP118 is a compact development board built around the Microchip PIC16F18026 microcontroller in a 14-pin SOIC package. It provides a convenient platform for firmware development, prototyping and experimentation. The board is designed to be programmed using the Microchip PICkit programmer via the on-board ICSP header, making it straightforward to load and debug firmware. A key application for the AP118 is running the FORTH programming language currently being developed by Ambient Power. FORTH provides an interactive, stack-based programming environment well suited to embedded systems, allowing rapid development and testing directly on the target hardware. Using a simple USB to serial converter like this one from Amazon, communication can be made with the AP118 Forth firmware. Features
Microcontroller: Microchip PIC16F18026 (14-pin SOIC) Connector Pinout (J1)
Schematic |
|
||||||||||||||||||||||||||||


AP118 board (3D render)
AP118 assembled board